Home       Chi Siamo       News - informazioni       Servizi       Registrati / Area Riservata       Carrello       Contatti   
  Cuscinetti
Materiale
Diametro esterno (mm)
Diametro interno (mm)
Centro sfera (mm)  
Altezza (mm)  
Numero sfere  
Diametro sfere (mm)  
Diametro sfere (pollici)  
Tutti i cuscinetti..
  Tappi
Tutti i tappi..
  Area Riservata
Username
Password

- Nuova Registrazione
- Dimenticato username o password ?

   Home >
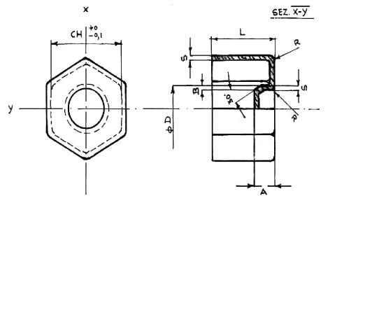
TAPPI ESAGONALI  [Cod.TAPPI DI PROTEZIONE]
Prodotto disponibile
N°    

Materiale: Polietilene
Colore: A scelta Del cliente

Diam. Tubo in Inch

CH  mm

Diam. D  mm

A  mm

B  mm

L    mm

R

mm

S

mm

Codici Nord

3/16

11.11

7.5

4.0

1.0

16.0

 

 

1.0

 

 

1.0

280900002

1/4

14.28

9.0

5.0

 

 

 

2.0

16.5

280900003

5/16

15.87

18.5

280900004

3/8

17.46

11.0

 

6.0

18.0

280900005

1/2

22.22

15.0

20.0

 

 

1.5

 

 

1.5

280900006

5/8

25.40

18.5

21.0

280900007

3/4

31.74

22.0

7.0

28.0

280900008

1

38.09

28.0

25.0

280900009

1/2

23.37

13.0

5.0

2.0

16.0

280900014


Privacy Policy | Cookie Policy | © Copyright 2026  - Powered by TorinoWeb.net

CALDART s.n.c. | via Peveragno, 15 - 10126 Torino | Telefono e Fax : +39 011.69.65.253 | P.IVA: 01788800017 | info@caldart.it